Verpackungsanlagen
Fertigungsanlagen
Montageanlagen
Kleinmontagen
Zuführtechnik
Messmaschinen
Elektrotechnik
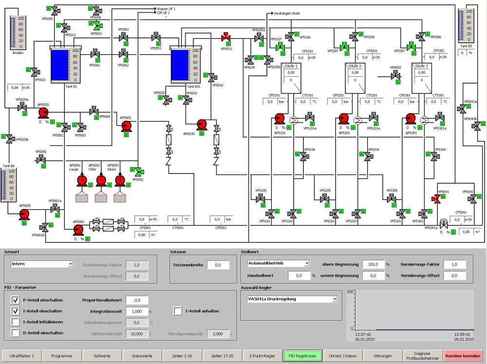
Visualisierung
Visualisierung
HMi GmbH
Schallbruch 8
42781 Haan
Tel :
(02129) 346 68 01
Fax :
(02129) 346 68 01
e-mail
:
info@hmigmbh.com
vCard Herunterladen
Maschinenbau - Elektrotechnik / Projektierung und Fertigung aus einer Hand
Startseite
Elektrotechnik
Maschinenbaubilder
Service
Impressum
Kontakt